International Conferences

2026

  1. Computer-Aided Design
    Automatic
    Flip-Flop Generation
    B-Flex: Exploration of Broader Flip-Flop Design Space Based on FSM Exhaustive Search
    Hyunsung Jeong°, Kyounghun Kang°, Jongeun Lee, and Wanyeong Jung
    Proceedings of the 63rd ACM/IEEE Design Automation Conference (DAC), Jul 2026
  2. Computer-Aided Design
    ML-based
    Circuit Simulator
    UNCHARTED: A Universal Circuit Design Hierarchical Model based on Auto-Regressive Spatio-Temporal Graph Neural Network with Exogenous Driving Inputs
    Xinyu Chen and Wanyeong Jung
    Proceedings of the 63rd ACM/IEEE Design Automation Conference (DAC), Jul 2026

2025

  1. Mixed-Signal Circuit
    Power Delivery
    Network for SIMD
    michal_iccad2025.png
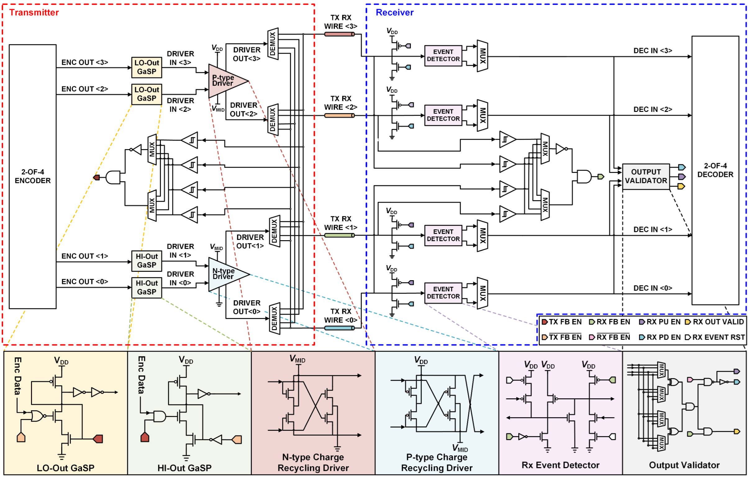
    TickTockStack: In-Datapath Current Imbalance Elimination Using Clocked Differential Logic in a Voltage Stacked Vector Processor
    Michał Andrzej Gorywoda and Wanyeong Jung
    IEEE/ACM International Conference On Computer Aided Design (ICCAD), 2025

2024

  1. Analog Circuit
    DC-to-DC Converter
    dhko_a_sscc2024.png
    A Single/Dual-Output Switched-Capacitor DC-DC Converter with Geometrically Arranged Soft VCR Transitions
    Donghee Ko°, Doojin Jang°, Da Won Kim, Jeongmyeong Kim, Byeongmin Moon, and Wanyeong Jung
    2024 IEEE Asian Solid-State Circuits Conference (A-SSCC), 2024
  2. Analog Circuit
    Temperature Sensor
    jekim_a_sscc2024.png
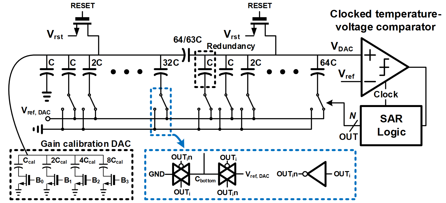
    A-60 to 145° C, 216 fJ·K2 Energy-Efficient MOS-Based Temperature Sensor Achieving 71.8 mK Resolution
    Jooeun Kim, Jeongmyeong Kim, Minkyu Yang, Kyounghun Kang, and Wanyeong Jung
    IEEE Asian Solid-State Circuits Conference (A-SSCC), 2024
  3. Computer-Aided Design
    Automatic
    Flip-Flop Generation
    khkang_iccad2024.png
    SeGen: Automatic Topology Generator for Sequencing Elements
    Kyounghun Kang and Wanyeong Jung
    Proceedings of the 43rd IEEE/ACM International Conference on Computer-Aided Design (ICCAD), 2024
  4. Analog Circuit
    Low-Dropout Regulator
    jmkim_vlsic2024.png
    A 0.6-1 V VIN Soft-Switching Low Dropout Regulator with 31.3 A/mm2 Current Density, 99.99% Current Efficiency, and 2.04 fs FoM
    Jeongmyeong Kim, Changjoo Park, and Wanyeong Jung
    2024 IEEE Symposium on VLSI Technology and Circuits (VLSI-C), 2024
  5. Computer Architecture
    ISA Extension for SIMD
    hjbae_dac2024.png
    VVIP: Versatile Vertical Indexing Processor for Edge Computing
    Hyungjoon Bae, Da Won Kim, and Wanyeong Jung
    Proceedings of the 61st ACM/IEEE Design Automation Conference (DAC), 2024
  6. Mixed-Signal
    Circuit
    Compute-in-Memory
    mkjeong_iscas2024.png
    MAC-DO: DRAM-Based Multi-Bit Analog Accelerator Using Output Stationary
    MinKi Jeong and Wanyeong Jung
    2024 IEEE International Symposium on Circuits and Systems (ISCAS), 2024
  7. Mixed-Signal
    Circuit
    Analog-to-Digital
    Converter
    mkyang_iscas2024.png
    A Compact and Low-Power Column Readout Circuit based on Digital Delay Chain
    Minkyu Yang, Changjoo Park, and Wanyeong Jung
    2024 IEEE International Symposium on Circuits and Systems (ISCAS), 2024
  8. Digital Circuit
    Flip-Flop
    khkang_tcas2024.png
    A Contention-Free and Redundant-Transition-Free Change-Sensing Flip-Flop
    Kyounghun Kang and Wanyeon Jung
    2024 IEEE International Symposium on Circuits and Systems (ISCAS), 2024

2023

  1. Mixed-Signal Circuit
    Analog-to-Digital
    Converter
    cjpark_a_sscc2023.png
    A 74.0 dB-SNDR 175.4 dB-FoM Pipelined-SAR ADC Using a Cyclically Charged Floating Inverter Amplifier
    Changjoo Park, Jeongmyeong Kim, Kyounghun Kang, Minkyu Yang, Byeongmin Moon, Siheon Lee, and Wanyeong Jung
    2023 IEEE Asian Solid-State Circuits Conference (A-SSCC), 2023
  2. Digital Circuit
    Flip-Flop
    khkang_iscas2023.png
    26TSPC: A Low Hold Time, Low Power Flip-Flop With Clock Path Optimization
    Kyounghun Kang and Wanyeong Jung
    2023 IEEE International Symposium on Circuits and Systems (ISCAS), 2023
  3. Mixed-Signal Circuit
    Asynchronous Interface
    dalta_iscas2023.png
    An Energy-Efficient Delay Insensitive Asynchronous Interface for Globally Asynchronous Locally Synchronous (GALS) System
    Dalta Imam Maulana and Wanyeong Jung
    2023 IEEE International Symposium on Circuits and Systems (ISCAS), 2023

2022

  1. Analog Circuit
    Temperature Sensor
    jekim_a_sscc2022.png
    A-50 to 130° C, 38.69 pJ/conv Fully Integrated SAR Temperature Sensor Based on Direct Temperature-Voltage Comparison
    Jooeun Kim, Jeongmyeong Kim, Changjoo Park, Minkyu Yang, and Wanyeong Jung
    2022 IEEE Asian Solid-State Circuits Conference (A-SSCC), 2022
  2. Digital Circuit
    Cryptographic Processor
    dwkim_isocc2022.png
    Kyber Accelerator on FPGA Using Energy-Efficient LUT-Based Barrett Reduction
    Da Won Kim, Dalta Imam Maulana, and Wanyeong Jung
    2022 19th International SoC Design Conference (ISOCC), 2022
  3. Computer-Aided Design
    Automatic
    Topology Generation
    jwsuh_isocc2022.png
    FACTGen: Framework for Automated Circuit Topology Generator
    Jangwon Suh and Wanyeong Jung
    2022 19th International SoC Design Conference (ISOCC), 2022
  4. Digital Circuit
    Sorting Accelerator
    jhcho_fccm2022.png
    A Near-Memory Radix Sort Accelerator with Parallel 1-bit Sorter
    Jihwan Cho, Dalta Imam Maulana, and Wanyeong Jung
    2022 IEEE 30th Annual International Symposium on Field-Programmable Custom Computing Machines (FCCM), 2022

2021

  1. Analog Circuit
    Power Interface
    jhcho_iscas2021.png
    RectBoost: Start-Up Boosting for Rectenna Using an Adaptive Matching Network
    Joonhyuk Cho and Wanyeong Jung
    2021 IEEE International Symposium on Circuits and Systems (ISCAS), 2021
  2. Analog Circuit
    DC-to-DC Converter
    djjang_iscas2021.png
    An On-Chip Dual-Output Switched-Capacitor DC- DC Converter with Fine-Grained Output Control
    Doojin Jang, Unbong Lee, Jeongmyeong Kim, Jangwon Suh, and Wanyeong Jung
    2021 IEEE International Symposium on Circuits and Systems (ISCAS), 2021